Welcome to DALIAN JINZHOU FAN FACTORY!
Hotline: 0411-87693246
Popular Keywords: General centrifugal fan
Current Location:HOME > PRODUCTS > Dust removal equipment

GDFC

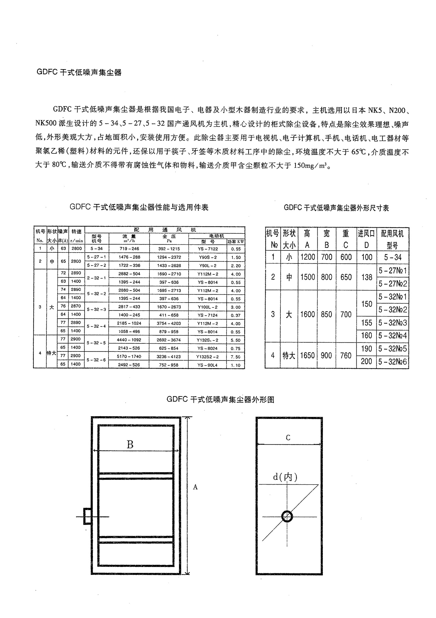
GDFC 干式低噪声集尘器是根据我国电子、电器及小型木器制造行业的要求,主机选用以日本NK5、N200、 NK500派生设计的5-34、5-27、5-32国产通风机为主机,精心设计的柜式除尘设备,特点是除尘效果理想、噪声低,外形美观大方,占地面积小,安装使用方便。此除尘器主要用于电视机、电子计算机、手机、电话机、电工器材等

Details

Purchase:
Can't see clearly, please click
Online Service
Contact

Hotline

13889691858

Working Hours

Monday to Friday

Telephone

0411-87693246

QR code
OPEN