欢迎光临大连市金州风机厂官网!
全国咨询热线: 0411-87693246
热门关键词: 一般离心通风机
当前位置:主页 > 产品展示 > 一般离心通风机

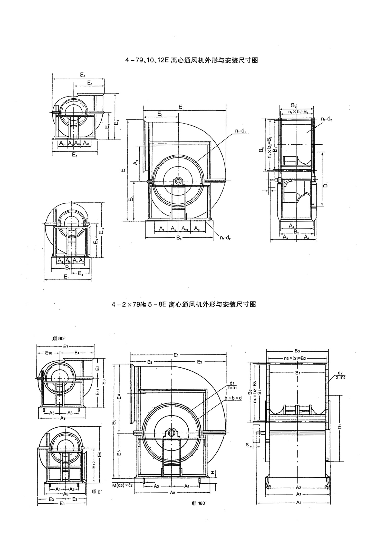
4-79、4-2X79 离心通风机

479离心通风机特点是叶轮为后倾的圆孤薄板型叶片,效率高,噪声低.传动方式分为A、C、E三种,此风机可用于一般工厂及大型建筑物的室内通风换气,输出、输入气体均可。

产品详情

采购:
看不清请点击
在线客服
联系方式

热线电话

13889691858

上班时间

周一到周五

公司电话

0411-87693246

二维码
线